Zbuduj własny prostownik samochodowy krok po kroku, bezpiecznie i efektywnie.
- Transformator to serce prostownika, wybierz go z napięciem wtórnym 13-17V AC i odpowiednią mocą (np. 150W dla 10A).
- Mostek prostowniczy wymaga chłodzenia (radiatora) przy prądach powyżej 5A, można użyć gotowego lub zbudować z diod.
- Najprostszy schemat to transformator + mostek, ale kondensator wygładza napięcie, a regulacja prądu chroni akumulator.
- Praca z 230V jest niebezpieczna; zawsze odłączaj zasilanie i dbaj o wentylację obudowy.
- Ładowanie akumulatora generuje wodór podłączaj zaciski przed włączeniem prostownika, odłączaj w odwrotnej kolejności.
- Zaawansowane prostowniki mogą mieć regulację prądu (np. tyrystorową) i automatyczne wyłączanie po naładowaniu (np. przy 14.4V).
Zanim zaczniesz: Absolutne podstawy bezpieczeństwa przy pracy z prądem 230V
Zanim zagłębisz się w świat lutowania i montażu, muszę Cię ostrzec: praca z napięciem sieciowym 230V jest śmiertelnie niebezpieczna. Nie ma tu miejsca na błędy ani pośpiech. Każda pomyłka może mieć tragiczne konsekwencje. Moje doświadczenie pokazuje, że nawet doświadczeni elektronicy czasem zapominają o podstawach, dlatego zawsze powtarzam: bezpieczeństwo przede wszystkim.
Dlaczego odłączenie zasilania to za mało? Zasady, które ratują życie
Odłączenie urządzenia od zasilania to absolutna podstawa, ale to dopiero początek. Wiele osób myśli, że wyciągnięcie wtyczki z gniazdka załatwia sprawę. Niestety, to nie zawsze wystarcza. Musisz mieć pewność, że w obwodzie nie ma żadnego napięcia resztkowego, zwłaszcza w układach z kondensatorami o dużej pojemności, które mogą przechowywać ładunek przez długi czas. Zawsze, ale to zawsze, weryfikuj brak napięcia za pomocą multimetru przed dotknięciem jakichkolwiek elementów. Pamiętaj również o:
- Używaniu izolowanych narzędzi: Nawet jeśli myślisz, że napięcia nie ma, izolowane narzędzia stanowią dodatkową warstwę ochrony.
- Pracy w suchym środowisku: Wilgoć jest doskonałym przewodnikiem prądu. Upewnij się, że Twoje ręce i miejsce pracy są całkowicie suche.
- Unikaniu pracy w pojedynkę: W razie wypadku, obecność drugiej osoby może uratować życie.
- Wykonywaniu wszelkich modyfikacji wyłącznie przy odłączonym zasilaniu: To zasada, od której nie ma odstępstw. Nigdy nie lutuj ani nie dotykaj komponentów, gdy prostownik jest podłączony do sieci.
Wodór, iskry i ryzyko wybuchu: jak bezpiecznie obchodzić się z ładowanym akumulatorem?
Kolejnym, często niedocenianym zagrożeniem, jest sam proces ładowania akumulatora. Podczas ładowania, szczególnie w końcowej fazie, akumulator kwasowo-ołowiowy wydziela wodór gaz, który w połączeniu z tlenem tworzy mieszaninę wybuchową. Wystarczy mała iskra, by doszło do eksplozji, która może być bardzo niebezpieczna.
Aby zminimalizować to ryzyko, postępuj zgodnie z poniższymi zasadami:
- Unikaj iskrzenia w pobliżu akumulatora: Nie podłączaj ani nie odłączaj zacisków prostownika, gdy jest on już włączony do sieci.
- Prawidłowa kolejność podłączania: Zawsze najpierw podłącz zaciski prostownika do akumulatora (plus do plusa, minus do minusa), a dopiero potem włącz prostownik do gniazdka sieciowego.
- Prawidłowa kolejność odłączania: Najpierw odłącz prostownik od gniazdka sieciowego, a dopiero potem zdejmij zaciski z akumulatora. Ta kolejność minimalizuje ryzyko powstania iskry na zaciskach akumulatora.
- Zapewnij dobrą wentylację: Ładuj akumulator w dobrze wentylowanym pomieszczeniu, aby wodór mógł swobodnie ulatywać i nie gromadzić się w niebezpiecznych stężeniach.
Pamiętaj, że te zasady to nie tylko teoria to praktyki, które ratują życie i zdrowie. Proszę, traktuj je z najwyższą powagą.
Serce prostownika: Jak wybrać idealny transformator do swojego projektu?
Transformator to absolutne serce każdego prostownika. To on odpowiada za obniżenie niebezpiecznego napięcia sieciowego 230V do bezpiecznego poziomu, odpowiedniego do ładowania akumulatora. Wybór odpowiedniego transformatora to klucz do sukcesu i bezpieczeństwa Twojego projektu.
Moc (VA) a prąd ładowania (A): Prosty przelicznik, by nie kupić za słabego transformatora
Wybierając transformator, musisz zwrócić uwagę na jego moc, wyrażoną w woltoamperach (VA) lub watach (W). Zbyt słaby transformator będzie się przegrzewać, a w skrajnych przypadkach może ulec uszkodzeniu. Zbyt mocny będzie droższy i większy, niż to konieczne. Generalna zasada jest taka, że moc transformatora powinna być co najmniej 1,5 do 2 razy większa niż iloczyn maksymalnego prądu ładowania i napięcia wtórnego. Dlaczego? Bo transformator nie pracuje ze 100% sprawnością, a mostek prostowniczy i inne elementy również generują straty.
Dla przykładu, jeśli planujesz prostownik o maksymalnym prądzie ładowania 10A i wybierzesz transformator z napięciem wtórnym 15V AC, to minimalna moc transformatora powinna wynosić około: 10A * 15V * 1.5 = 225VA. Realnie, dla 10A, zalecam transformator o mocy co najmniej 150W-180W, aby mieć pewien zapas i zapewnić stabilną pracę bez nadmiernego przegrzewania.
Napięcie wtórne 13V, 15V czy 17V? Które zapewni optymalne ładowanie akumulatora 12V
Akumulatory 12V wymagają napięcia ładowania rzędu 14.4V, aby w pełni się naładować. Napięcie wtórne transformatora podawane jest jako wartość skuteczna (RMS) prądu zmiennego (AC). Po wyprostowaniu przez mostek prostowniczy i wygładzeniu przez kondensator, napięcie stałe będzie wyższe, ale musimy uwzględnić spadki napięcia na diodach mostka prostowniczego, które wynoszą około 1.2V-1.4V (dla mostka krzemowego). Dlatego napięcie wtórne transformatora powinno być nieco wyższe niż docelowe napięcie ładowania.
Moje doświadczenie podpowiada, że napięcie wtórne w zakresie 13V-17V AC jest optymalne. Jeśli wybierzesz 13V AC, po wyprostowaniu i odjęciu spadków na diodach, uzyskasz około 17V DC bez obciążenia, co pod obciążeniem spadnie do około 14.5V-15V. Transformator 15V AC da nam około 19V DC bez obciążenia, co jest dobrym punktem wyjścia dla prostowników z regulacją. Transformator 17V AC to już wyższe napięcie, które daje większy zapas mocy, ale wymaga bardziej precyzyjnej regulacji, aby nie przeładować akumulatora. Dla prostych konstrukcji, 15V AC to często złoty środek.
Transformator toroidalny czy klasyczny EI? Porównanie pod kątem projektu DIY
Na rynku dostępne są dwa główne typy transformatorów: klasyczne transformatory z rdzeniem EI oraz transformatory toroidalne.
-
Transformator EI (kształt litery E i I):
- Zalety: Zazwyczaj tańsze, łatwiejsze w montażu (często mają gotowe uchwyty), dostępne w szerokim zakresie mocy.
- Wady: Większe i cięższe niż toroidy o tej samej mocy, generują większe pole rozproszenia (mogą powodować zakłócenia w pobliskich układach elektronicznych), mniejsza sprawność.
-
Transformator toroidalny (kształt pączka):
- Zalety: Znacznie mniejsze i lżejsze przy tej samej mocy, wyższa sprawność, mniejsze pole rozproszenia (mniej zakłóceń), cichsza praca.
- Wady: Zazwyczaj droższe, montaż wymaga specjalnej śruby centralnej i podkładek, co może być nieco bardziej kłopotliwe dla początkujących.
Dla projektu DIY, jeśli budżet na to pozwala, zdecydowanie polecam transformator toroidalny. Jego kompaktowe rozmiary i mniejsze zakłócenia sprawiają, że jest to lepszy wybór do estetycznej i funkcjonalnej konstrukcji. Jeśli jednak szukasz najtańszego rozwiązania, transformator EI również spełni swoje zadanie, choć będzie wymagał więcej miejsca w obudowie.
Schemat nr 1: Klasyczny i niezawodny prostownik dla początkujących
Zacznijmy od podstaw. Ten schemat to absolutna klasyka, którą wielu z nas, elektroników-hobbystów, zbudowało jako jeden z pierwszych projektów. Jest prosty, skuteczny i pozwala zrozumieć fundamentalne zasady działania prostownika. Pamiętaj jednak, że jego prostota ma swoją cenę brak kontroli nad procesem ładowania, co może prowadzić do przeładowania akumulatora, jeśli nie będziesz go pilnować.
Kompletny schemat ideowy: Omówienie roli transformatora, mostka i kondensatora
Najprostszy prostownik składa się z trzech kluczowych elementów, które już trochę omówiliśmy, ale warto je usystematyzować w kontekście schematu:
- Transformator: Jak już wiesz, obniża on napięcie sieciowe 230V AC do bezpiecznego poziomu (np. 15V AC). To pierwszy i najważniejszy stopień konwersji.
- Mostek prostowniczy: Jego zadaniem jest zamiana prądu zmiennego (AC) z transformatora na prąd stały (DC). Niestety, ten prąd stały nie jest idealnie "płaski", lecz ma charakter pulsujący to tak zwane tętnienia.
- Kondensator elektrolityczny: Ten element, podłączony równolegle do wyjścia mostka prostowniczego, służy do wygładzenia wspomnianych tętnień. Działa jak mały zbiornik energii, który "wypełnia" luki między pulsami napięcia, sprawiając, że napięcie na wyjściu jest znacznie bardziej stabilne i zbliżone do idealnego prądu stałego. Typowo, dla tego typu prostownika, stosuje się kondensator o pojemności rzędu 4700µF / 35V. Wyższe napięcie pracy kondensatora (np. 35V) zapewnia większy margines bezpieczeństwa niż nominalne napięcie wyjściowe.
Lista części: Jakie komponenty kupić do budowy prostego prostownika (specyfikacje i przykłady)
Oto lista podstawowych komponentów, które będą Ci potrzebne do zbudowania prostownika według Schematu nr 1:
- Transformator sieciowy: Napięcie wtórne: 15V AC, moc: 100W-150W (np. 15V/100W lub 15V/150W).
- Mostek prostowniczy: Prąd: 25A, napięcie: 50V (np. mostek prostowniczy KBPC2504 lub podobny). Pamiętaj o radiatorze!
- Kondensator elektrolityczny: Pojemność: 4700µF - 10000µF, napięcie pracy: 35V lub więcej (np. 4700µF/35V).
- Bezpiecznik topikowy sieciowy: 1A-2A (do zabezpieczenia strony pierwotnej transformatora).
- Bezpiecznik topikowy wyjściowy: 10A-15A (do zabezpieczenia strony wtórnej i akumulatora).
- Oprawki bezpieczników: Do bezpieczników sieciowego i wyjściowego.
- Dioda LED: Dowolny kolor, z rezystorem ograniczającym prąd (np. 1kΩ) do sygnalizacji pracy.
- Przewody sieciowe: Z wtyczką, o odpowiednim przekroju.
- Przewody wyjściowe: O przekroju min. 2.5 mm², długość ok. 1-1.5m, w kolorach czerwonym i czarnym.
- Zaciski krokodylkowe: Duże, izolowane, czerwony i czarny.
- Obudowa: Z tworzywa sztucznego lub metalu (z uziemieniem), z otworami wentylacyjnymi.
- Radiator: Do mostka prostowniczego, o odpowiedniej powierzchni.
- Drobne elementy: Terminale śrubowe, wkręty, podkładki, koszulki termokurczliwe, pasta termoprzewodząca (do mostka i radiatora).
Montaż krok po kroku: Od lutowania mostka po umieszczenie w obudowie
Montaż prostownika wymaga precyzji i cierpliwości. Oto ogólne kroki, które powinieneś wykonać:
- Przygotowanie obudowy: Wywierć otwory na transformator, mostek (jeśli będzie montowany do obudowy), gniazdo sieciowe, wyjścia na kable, bezpieczniki i diodę LED. Pamiętaj o otworach wentylacyjnych!
- Montaż transformatora: Zamocuj transformator w obudowie. Podłącz przewody sieciowe do uzwojenia pierwotnego (230V) transformatora, pamiętając o wpięciu bezpiecznika sieciowego w jeden z przewodów fazowych.
- Montaż mostka prostowniczego: Zamontuj mostek prostowniczy na radiatorze, używając pasty termoprzewodzącej dla lepszego odprowadzania ciepła. Następnie przymocuj radiator z mostkiem w obudowie.
- Podłączenie mostka do transformatora: Podłącz przewody z uzwojenia wtórnego transformatora (np. 15V AC) do zacisków AC mostka prostowniczego.
- Podłączenie kondensatora: Przylutuj kondensator elektrolityczny równolegle do wyjść DC mostka prostowniczego. Bardzo ważne: zwróć uwagę na polaryzację kondensatora! Dłuższa nóżka to zazwyczaj plus (+), a pasek na obudowie oznacza minus (-). Plus kondensatora do plusa mostka, minus do minusa.
- Montaż bezpiecznika wyjściowego i diody LED: Wepnij bezpiecznik wyjściowy w przewód dodatni (+), a następnie podłącz przewody wyjściowe (czerwony do plusa, czarny do minusa). Diodę LED z rezystorem ograniczającym prąd podłącz równolegle do wyjścia prostownika (pomiędzy plus a minus), również z zachowaniem polaryzacji.
- Podłączenie zacisków krokodylkowych: Przylutuj zaciski krokodylkowe do przewodów wyjściowych czerwony do plusa, czarny do minusa. Upewnij się, że połączenia są solidne i zaizolowane.
- Sprawdzenie połączeń: Przed zamknięciem obudowy dokładnie sprawdź wszystkie połączenia pod kątem poprawności i izolacji. Upewnij się, że nie ma żadnych zwarć.
- Zamknięcie obudowy: Po upewnieniu się, że wszystko jest poprawnie podłączone, zamknij obudowę.
Pamiętaj, że to ogólny przewodnik. Zawsze warto poszukać konkretnych schematów podłączeń dla wybranych komponentów, zwłaszcza mostka prostowniczego, aby uniknąć błędów.
Mostek prostowniczy: Gotowy element czy 4 osobne diody? Co wybrać i dlaczego?
Mostek prostowniczy to kolejny kluczowy element, który zamienia prąd zmienny na pulsujący prąd stały. Masz dwie główne opcje: użyć gotowego, zintegrowanego mostka Graetza, albo zbudować go samodzielnie z czterech pojedynczych diod prostowniczych. Z mojego doświadczenia wynika, że dla większości projektów DIY, gotowy mostek Graetza jest znacznie wygodniejszym i bezpieczniejszym rozwiązaniem.
Jak prawidłowo podłączyć gotowy mostek Graetza: oznaczenia AC, (+) i (-)
Gotowe mostki prostownicze, takie jak popularne serie KBPC, są bardzo łatwe w podłączeniu dzięki wyraźnym oznaczeniom na obudowie. Zazwyczaj znajdziesz na nich cztery wyprowadzenia:
- Dwa oznaczone jako AC (~ lub symbol fali sinusoidalnej): To są wejścia prądu zmiennego z transformatora. Nie ma znaczenia, który przewód z transformatora podłączysz do którego wejścia AC.
- Jedno oznaczone jako (+): To jest wyjście dodatnie prądu stałego. Tutaj podłączasz czerwony przewód prowadzący do akumulatora (lub do dalszych układów).
- Jedno oznaczone jako (-): To jest wyjście ujemne prądu stałego. Tutaj podłączasz czarny przewód prowadzący do akumulatora.
Podłączenie jest więc intuicyjne: dwa przewody z uzwojenia wtórnego transformatora do wejść AC, a następnie wyjścia (+) i (-) do reszty układu prostownika.
Kiedy i dlaczego radiator na mostku jest absolutnie konieczny?
Mostek prostowniczy, podobnie jak wiele innych elementów mocy, generuje ciepło. Dzieje się tak, ponieważ na każdej diodzie w mostku występuje spadek napięcia (około 0.7V dla diody krzemowej). Gdy prąd przepływa przez mostek, ten spadek napięcia razy prąd daje nam moc strat, która jest rozpraszana w postaci ciepła. Przy prądach rzędu 10A, ten spadek napięcia na dwóch przewodzących diodach (bo zawsze dwie diody przewodzą jednocześnie w mostku Graetza) to około 1.4V, co daje 1.4V * 10A = 14W mocy wydzielanej w postaci ciepła. To sporo!
Dlatego, jeśli planujesz prostownik o prądzie ładowania powyżej 5A, a nawet przy niższych prądach, jeśli mostek ma być obciążony przez dłuższy czas, montaż mostka na radiatorze jest absolutnie konieczny. Bez radiatora mostek szybko się przegrzeje, co doprowadzi do jego uszkodzenia, a w skrajnych przypadkach może spowodować pożar.
Radiator powinien być dobrany do mocy strat i zapewniać odpowiednie chłodzenie. Im większy prąd, tym większy radiator. Mostek zazwyczaj przykręca się do radiatora, używając pasty termoprzewodzącej, aby poprawić przewodzenie ciepła. Pamiętaj, że niektóre mostki mają metalową obudowę, która jest jednocześnie jednym z wyprowadzeń (np. minus). W takim przypadku, jeśli radiator jest metalowy i uziemiony, musisz zastosować podkładkę izolacyjną (np. mikową) między mostkiem a radiatorem, aby uniknąć zwarcia.
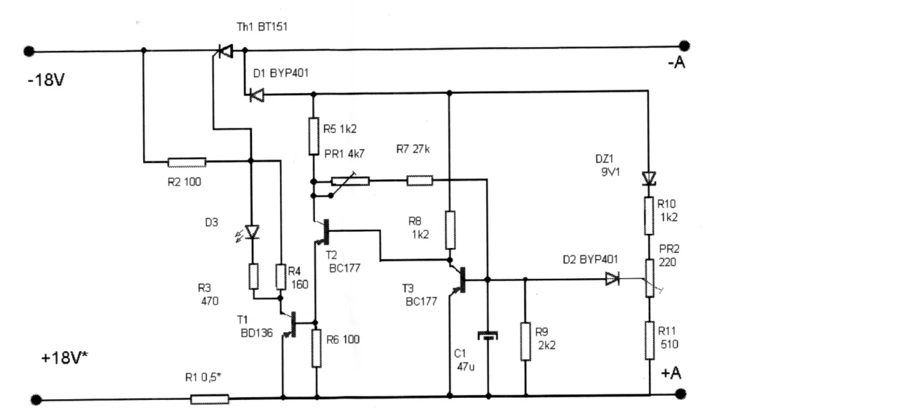
Schemat nr 2: Prostownik z regulacją prądu na tyrystorze pełna kontrola nad ładowaniem
Jeśli prostownik ze Schematu nr 1 jest dla Ciebie zbyt prosty i chcesz mieć większą kontrolę nad procesem ładowania, Schemat nr 2, wykorzystujący tyrystor do regulacji prądu, będzie znacznie lepszym wyborem. To już krok w stronę bardziej zaawansowanych konstrukcji, które pozwalają dostosować prąd ładowania do pojemności akumulatora, co jest kluczowe dla jego żywotności.
Jak działa regulacja fazowa na tyrystorze? Analiza rozbudowanego schematu
Regulacja prądu za pomocą tyrystora (lub triaka) opiera się na zasadzie regulacji fazowej. Tyrystor to element półprzewodnikowy, który działa jak sterowany przełącznik. Po podaniu krótkiego impulsu na jego bramkę (Gate), tyrystor zaczyna przewodzić prąd i pozostaje w stanie przewodzenia, dopóki prąd płynący przez niego nie spadnie do zera (co naturalnie dzieje się w każdym półokresie prądu zmiennego). Regulując moment podania impulsu na bramkę tyrystora w każdym półokresie napięcia zmiennego, możemy kontrolować, przez jaką część półokresu prąd będzie płynął do akumulatora.
Im wcześniej w półokresie podamy impuls na bramkę, tym dłużej tyrystor będzie przewodził, a co za tym idzie, tym większy będzie średni prąd ładowania. Im później podamy impuls, tym krócej tyrystor będzie przewodził, a prąd ładowania będzie mniejszy. Dzięki temu możemy płynnie regulować prąd ładowania, co jest niezwykle ważne dla zdrowia akumulatora. Zbyt wysoki prąd ładowania może prowadzić do "gotowania" elektrolitu i uszkodzenia akumulatora, zwłaszcza tych o mniejszej pojemności.
Sterowanie tyrystorem może być realizowane na wiele sposobów, od prostych układów RC (rezystor-kondensator) po bardziej zaawansowane układy scalone. Bardzo popularne są specjalizowane sterowniki, takie jak U2008, które są dedykowane do sterowania tyrystorami i triakami, oferując stabilną i precyzyjną regulację.
Lista komponentów do wersji z regulacją: Tyrystor, diody Zenera, potencjometr i inne
Oprócz komponentów z prostego prostownika (transformator, mostek, kondensator, bezpieczniki, obudowa, przewody), do wersji z regulacją prądu będziesz potrzebować:
- Tyrystor mocy: Np. BT151 (dla prądów do 12A) lub mocniejszy, jeśli planujesz wyższe prądy ładowania. Pamiętaj o odpowiednim radiatorze!
-
Układ sterujący tyrystorem:
- Prostsza wersja: Rezystory, kondensatory (np. 100nF, 1µF), diody Zenera (np. 12V-15V), diak (np. DB3) do budowy klasycznego układu fazowego.
- Bardziej zaawansowana wersja: Układ scalony sterujący (np. U2008B) wraz z elementami pasywnymi (rezystory, kondensatory) wymaganymi do jego pracy.
- Potencjometr: Do regulacji prądu, np. 100kΩ - 500kΩ (w zależności od układu sterującego).
- Dodatkowe diody: Np. 1N4007 do zabezpieczeń lub prostowania napięcia dla układu sterującego.
- Rezystory: Różne wartości, w zależności od wybranego schematu sterowania.
- Kondensatory: Różne wartości, do filtrowania i tworzenia opóźnień.
- Miernik prądu (amperomierz): Analogowy lub cyfrowy, do monitorowania prądu ładowania.
Kluczowe punkty montażu: Na co zwrócić szczególną uwagę przy układzie sterowania?
Montaż prostownika z regulacją wymaga większej uwagi niż prosty schemat. Oto na co musisz zwrócić szczególną uwagę:
- Montaż tyrystora na radiatorze: Podobnie jak mostek prostowniczy, tyrystor mocy będzie się nagrzewał. Konieczny jest odpowiedni radiator. Jeśli tyrystor ma metalową obudowę, która jest połączona z anodą lub katodą, i montujesz go na metalowym, uziemionym radiatorze, musisz zastosować izolację mikową i pastę termoprzewodzącą, aby uniknąć zwarcia.
- Precyzja montażu układu sterującego: Układ sterujący tyrystorem, zwłaszcza jeśli jest to układ scalony, wymaga precyzyjnego montażu. Dokładnie sprawdź wszystkie połączenia, wartości rezystorów i kondensatorów. Błędy w tym miejscu mogą prowadzić do niestabilnej pracy lub uszkodzenia tyrystora.
- Prawidłowe podłączenie potencjometru: Potencjometr służy do regulacji, więc musi być podłączony w taki sposób, aby jego obrót płynnie zmieniał prąd ładowania. Sprawdź schemat, aby upewnić się, że podłączyłeś go prawidłowo.
- Izolacja: Wszelkie elementy pracujące z napięciem sieciowym (strona pierwotna transformatora, układ sterujący tyrystorem, jeśli jest zasilany z sieci) muszą być doskonale zaizolowane od reszty układu i obudowy.
- Uziemienie: Jeśli używasz metalowej obudowy, uziemienie jej jest absolutnie konieczne. Podłącz przewód ochronny (żółto-zielony) z kabla sieciowego do obudowy.
Pamiętaj, że budowa tego typu prostownika to już wyzwanie dla osób z podstawową wiedzą z zakresu elektroniki. Jeśli nie jesteś pewien swoich umiejętności, zacznij od prostszego schematu lub poproś o pomoc doświadczonego elektronika.
Dodajemy inteligencję: Schemat automatycznego wyłączania ładowania
Po zbudowaniu prostownika z regulacją prądu, kolejnym krokiem w stronę "inteligencji" urządzenia jest dodanie funkcji automatycznego wyłączania ładowania. To niezwykle ważna cecha, która chroni akumulator przed przeładowaniem i pozwala uniknąć konieczności ciągłego monitorowania procesu. Akumulatory kwasowo-ołowiowe są bardzo wrażliwe na przeładowanie, które skraca ich żywotność i może prowadzić do uszkodzenia.
Jak układ na wzmacniaczu operacyjnym (komparator) chroni akumulator przed przeładowaniem?
Jednym z najpopularniejszych i najskuteczniejszych sposobów na realizację automatycznego wyłączania jest zastosowanie układu opartego na wzmacniaczu operacyjnym pracującym jako komparator napięcia. Działa to w następujący sposób:
- Monitorowanie napięcia: Układ stale monitoruje napięcie na zaciskach ładowanego akumulatora.
- Napięcie referencyjne: Na jedno wejście komparatora podajemy precyzyjnie ustalone napięcie referencyjne, które odpowiada maksymalnemu bezpiecznemu napięciu ładowania akumulatora (np. 14.4V dla akumulatorów kwasowo-ołowiowych).
- Porównanie: Komparator porównuje napięcie z akumulatora z napięciem referencyjnym.
-
Reakcja:
- Gdy napięcie na akumulatorze jest niższe niż napięcie referencyjne, wyjście komparatora jest w jednym stanie (np. niskim), co pozwala na kontynuowanie ładowania.
- Gdy napięcie na akumulatorze osiągnie lub przekroczy napięcie referencyjne (np. 14.4V), wyjście komparatora zmienia stan (np. na wysoki).
- Odłączenie ładowania: Zmiana stanu na wyjściu komparatora jest wykorzystywana do sterowania przekaźnikiem. Przekaźnik ten fizycznie odłącza obwód ładowania od akumulatora lub od transformatora, przerywając dopływ prądu.
- Wznowienie ładowania: Często stosuje się histerezę układ wznawia ładowanie dopiero, gdy napięcie na akumulatorze spadnie do niższego poziomu (np. 13V). Zapobiega to ciągłemu włączaniu i wyłączaniu prostownika, gdy napięcie oscyluje wokół wartości progowej.
Taki układ zapewnia, że akumulator zostanie naładowany do optymalnego poziomu i nie będzie narażony na szkodliwe przeładowanie. To znacząco wydłuża jego żywotność i zwiększa bezpieczeństwo użytkowania prostownika.
Integracja automatyki z istniejącym schematem: praktyczne wskazówki
Integracja układu automatycznego wyłączania z wcześniej przedstawionymi schematami prostownika wymaga przemyślenia, gdzie najlepiej wpiąć przekaźnik sterujący:
- Odłączanie strony wtórnej: Najczęściej przekaźnik włącza się w obwód prądu stałego, zaraz za mostkiem prostowniczym, przed akumulatorem. Gdy układ wykryje pełne naładowanie, przekaźnik rozłącza obwód, odcinając dopływ prądu do akumulatora. Jest to proste i skuteczne rozwiązanie.
- Odłączanie strony pierwotnej: Bardziej zaawansowane układy mogą sterować przekaźnikiem, który odłącza zasilanie 230V od transformatora. Jest to bezpieczniejsze dla samego prostownika, ponieważ całkowicie odcina go od sieci, ale wymaga przekaźnika zdolnego do pracy z napięciem 230V i odpowiedniej izolacji.
- Sterowanie tyrystorem: Jeśli używasz prostownika z regulacją tyrystorową, układ automatyki może po prostu zablokować impulsy sterujące tyrystorem, co spowoduje zaprzestanie przewodzenia prądu. To eleganckie rozwiązanie, które nie wymaga dodatkowego przekaźnika w obwodzie mocy.
Przy budowie takiego układu automatyki, kluczowe jest użycie precyzyjnego źródła napięcia referencyjnego (np. diody Zenera lub specjalizowanego układu scalonego referencyjnego), aby progi napięciowe były stabilne i dokładne. Pamiętaj również o odpowiedniej filtracji napięcia zasilającego sam układ komparatora, aby uniknąć zakłóceń.
Pierwsze uruchomienie i diagnostyka: Jak sprawdzić, czy Twój prostownik działa poprawnie i bezpiecznie?
Gratuluję! Jeśli dotarłeś do tego etapu, oznacza to, że Twój prostownik jest prawdopodobnie gotowy do pierwszego uruchomienia. To moment, w którym emocje sięgają zenitu, ale pamiętaj bezpieczeństwo przede wszystkim. Niech nie kusi Cię pośpiech. Dokładna diagnostyka to klucz do długiej i bezproblemowej pracy urządzenia.
Pomiary multimetrem: Jakie napięcie powinno być na wyjściu bez obciążenia, a jakie podczas ładowania?
Multimetr to Twoje najważniejsze narzędzie diagnostyczne. Przed podłączeniem akumulatora, wykonaj następujące pomiary:
-
Napięcie na wyjściu bez obciążenia (jałowe):
- Podłącz prostownik do sieci.
- Ustaw multimetr na pomiar napięcia stałego (DCV).
- Zmierz napięcie na zaciskach wyjściowych (czerwony do plusa, czarny do minusa).
- Oczekiwana wartość: Powinna być wyższa niż napięcie akumulatora, zazwyczaj w zakresie 17V-20V DC (dla transformatora 15V AC, po wyprostowaniu i wygładzeniu kondensatorem). Jeśli masz prostownik z regulacją, możesz spróbować regulować napięcie potencjometrem.
- Jeśli napięcie jest zerowe lub bardzo niskie, sprawdź bezpieczniki, połączenia i poprawność montażu mostka/kondensatora.
-
Napięcie podczas ładowania (pod obciążeniem):
- Najpierw podłącz zaciski do akumulatora (czerwony do plusa, czarny do minusa), a dopiero potem włącz prostownik do sieci.
- Ustaw multimetr na pomiar napięcia stałego (DCV).
- Zmierz napięcie na zaciskach akumulatora podczas ładowania.
- Oczekiwana wartość: Napięcie powinno stopniowo rosnąć, dążąc do około 14.4V-14.8V DC (dla akumulatorów kwasowo-ołowiowych). W początkowej fazie ładowania może być niższe, a wraz z naładowaniem akumulatora będzie wzrastać.
-
Pomiar prądu ładowania (jeśli masz amperomierz):
- Jeśli Twój prostownik posiada wbudowany amperomierz, odczytaj wartość prądu.
- Jeśli nie, możesz użyć multimetru z funkcją pomiaru prądu (ustaw na DCA, np. 10A zakres), wpinając go szeregowo w obwód dodatni (między prostownikiem a plusem akumulatora).
- Oczekiwana wartość: Prąd będzie początkowo wysoki (w zależności od stanu rozładowania akumulatora i mocy prostownika), a następnie będzie stopniowo spadał w miarę ładowania akumulatora.
Przeczytaj również: Ładowanie akumulatora prostownikiem: Bezpieczny poradnik krok po kroku
Co robić, gdy prostownik się przegrzewa lub nie podaje napięcia? Najczęstsze błędy i ich rozwiązania
Nawet przy największej staranności, błędy się zdarzają. Oto najczęstsze problemy i sposoby ich rozwiązania:
-
Brak napięcia na wyjściu:
- Sprawdź bezpieczniki: Zarówno sieciowy, jak i wyjściowy. Przepalony bezpiecznik to najczęstsza przyczyna.
- Sprawdź transformator: Czy dochodzi do niego napięcie 230V? Czy na uzwojeniu wtórnym jest napięcie AC?
- Sprawdź mostek prostowniczy: Czy jest poprawnie podłączony? Czy diody nie są uszkodzone (można sprawdzić multimetrem w trybie testu diod)?
- Sprawdź kondensator: Czy nie jest uszkodzony (spuchnięty) lub podłączony z odwrotną polaryzacją?
- Zimne luty: Dokładnie obejrzyj wszystkie połączenia lutowane. Słabe luty to plaga projektów DIY.
-
Prostownik przegrzewa się (transformator, mostek, tyrystor):
- Zbyt mały radiator: Mostek lub tyrystor wymaga większego radiatora.
- Brak pasty termoprzewodzącej: Upewnij się, że między elementem a radiatorem jest warstwa pasty.
- Zbyt mała moc transformatora: Transformator jest przeciążony. Sprawdź jego moc i porównaj z prądem ładowania.
- Zwarte uzwojenie transformatora: Rzadziej, ale może się zdarzyć, że transformator jest uszkodzony.
-
Napięcie ładowania jest za niskie/za wysokie:
- Niewłaściwy transformator: Napięcie wtórne transformatora jest za niskie lub za wysokie.
- Uszkodzony kondensator: Kondensator elektrolityczny może tracić pojemność, co skutkuje słabszym wygładzaniem i niższym napięciem pod obciążeniem.
- Błąd w układzie regulacji (dla Schematu nr 2): Sprawdź wartości rezystorów, potencjometru i diod Zenera w układzie sterującym tyrystorem.
-
Brak reakcji na regulację prądu (dla Schematu nr 2):
- Uszkodzony potencjometr: Sprawdź jego rezystancję.
- Błąd w układzie sterującym tyrystorem: Sprawdź połączenia, wartości elementów, a w przypadku układu scalonego jego zasilanie i poprawność działania.
- Uszkodzony tyrystor: Może być zwarty lub otwarty.
Pamiętaj, że podczas diagnostyki, zwłaszcza gdy prostownik jest podłączony do sieci, zachowaj wszystkie zasady bezpieczeństwa. Używaj izolowanych narzędzi, nie dotykaj gołymi rękami żadnych elementów i zawsze upewnij się, że wiesz, co robisz. Cierpliwość i metodyczne podejście do rozwiązywania problemów to klucz do sukcesu w elektronice DIY.
